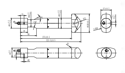
● 5倍过载,高度低,变形量小,安装方便
● 拉压双向
● 主要用于推、拉力计,料斗秤、各种工业称重系统等
● 按键力测试,接触力的测试,汽车压装、自动化组装、3C产品测试、新能源产品组装、医疗检测、机器人领域,模具组装
● 应用领域:汽车压装、自动化组装、3C产品测试、新能源产品组装、医疗检测、机器人领域、模具组装及其他工业测试、测量及控制系统

| 额定量程 | 20t | 绝缘电阻 | ≥5000MΩ/100VDC |
输出灵敏度 | ±0.2mV/V | 激励电压 | 5-12V |
零点输出 | ±1%F.S. | 最大激励电压 | 15V |
| 非线性 | 0.1%F.S. | 温度补偿范围 | -10~60℃ |
| 滞后误差 | 0.1%F.S. | 工作温度范围 | -40-80℃ |
| 重复性 | 0.03%F.S. | 安全超载 | 150%F.S. |
| 蠕变(30分钟) | 0.05%F.S. | 极限超载 | 300%F.S. |
| 温度对灵敏度漂移 | 0.05%F.S/10℃ | 保护等级 | IP66 |
| 温度对零点漂移 | 0.03%F.S/10℃ | 电缆尺寸 | φ6x1m(防水线) |
输入电阻 | 780±20Ω | 使用寿命 | 100万次 |
输出电阻 | 700±10Ω | ||
受力方向 | 接线方式 |
![]() | ![]() |
瑞尔特测控系统(高端称重、测力)华南研发中心是一家提供各类高端标准测力传感器以及非标定制服务于一体的综合性企业。